DC/DC轉換器 EMI的工程師指南
多數電源應用必須減少電磁干擾 (EMI) 以滿足相關要求,系統設計人員必須嘗試各種方法來減少傳導和輻射發射。
電磁兼容性 (EMC) 標準的合規性(例如,針對多媒體設備的 CISPR 32,針對汽車應用的 CISPR 25)是一項非常重要的任務,與產品開發成本和上市時間息息相關。
對于 DC/DC 轉換器而言,雖然采用開關更快的電源器件可以提升開關頻率并縮小尺寸,但在開關轉換期間出現的開關電壓和電流轉換率(dv/dt 和 di/dt)有所提升,通常引起 EMI 加劇,導致整個系統出現問題。
例如,氮化鎵 (GaN) 電源器件的開關速度極快,導致高頻條件下的 EMI 增加 10dB。EMI 濾波器是電力電子系統不可或缺的組成部分,在總體積和總重量方面占比相對較大。因此,必須非常關注系統的 EMI 降噪和抑制,不僅要滿足 EMC 規范,還需降低解決方案成本并提高系統功率密度。
本文是 EMI 系列文章的第一部分,回顧了相關標準和測量技術,主要側重于傳導發射。表 1 列出了與 EMI 有關的常用縮寫和命名法。
表 1:與 EMI 和 EMC 相關的常見縮略語、縮寫和單位。
EMC 監管規范
EMC 指系統或內含元器件在其電磁環境中按要求運行,不會對環境中的任何設備產生超出容限的電磁干擾的能力。此類干擾可能造成嚴重后果,因此各種國內和國際監管規范中均設立了 EMC 條款。
在歐盟區域內,通信市場銷售的電源產品多年來通常采用 EN 55022/CISPR 22 產品標準,從而在傳導和輻射發射兩方面滿足合規性要求,歐盟之外參照此標準的電源產品使用 CE 符合性聲明 (DoC),滿足歐盟 EMC 指令 2014/30/EU 的合規性。
針對北美市場設計的產品符合 FCC 第 15 部分 的限值。IEC 61000-6-3 和 IEC 61000-6-4 通用 EMC 標準分別適用于輕工業和工業環境。
然而,在輻射方面,EN 55032 產品標準已取代 EN 55022 (ITE)、EN 55013(廣播接收器和相關設備)和 EN 55103-1(音視頻設備)。這一新標準正式成為符合 EMC 指令的統一輻射標準。更具體地說,之前根據 EN 55022 進行測試并在 2017 年 3 月 2 日后運往歐盟的所有產品,必須符合 EN 55032 的要求。
隨著 EN 55022 標準撤銷并由 EN 55032 取代,電源制造商和供應商需要按照新標準更新其 DoC 證書,從而合法地使用 CE 認證徽標。圖 1 顯示了在 150kHz 至 30MHz 的適用頻率范圍內,使用準峰值 (QP) 和平均值 (AVG) 信號檢測器進行的傳導發射的 EN 55022/32 A 類和 B 類限值。
圖 1:使用準峰值和平均值檢測器的 EN 55022 A 類和 B 類傳導發射限值。
對于汽車終端設備,未來 EMC 合規性的主要推動力無疑來自于通過車輛間通信支持的自主車輛。針對“板載接收器保護”的 CISPR 25 規范已針對傳導發射設置了嚴格的限制,在 FM 頻帶(76MHz 至 108MHz)的限制尤為嚴格。
從監管角度而言,UNECE 10 號法規在 2014 年 11 月取代了歐盟的汽車 EMC 指令 2004/104/EC,其中要求制造商必須取得所有車輛、電子元器件 (ESA)、元器件和獨立技術單元的型式認證。
CISPR 25 測試的傳導發射均在 150kHz 至 108MHz 頻率范圍的特定頻帶內進行測量。具體而言,調節頻率范圍分布在 AM 廣播、FM 廣播和移動服務頻帶之間,如圖 2 中的圖象和表格所示。圖 2 還繪制了 CISPR 25 5 類(最嚴苛的要求)的相關限值圖象。盡管頻帶之間的帶隙允許更高的噪聲尖峰,但汽車制造商可能會根據其特定的內部 EMC 要求選擇擴展這些頻率范圍。這些要求通常基于國際 IEC 標準,僅更改不同測試或限值的少量參數,其核心內容保持不變。
圖 2:CISPR 25 5 類傳導發射限值。
為了應對 CISPR 25 限值帶來的挑戰,尤其是 FM 頻帶方面,請注意,50Ω 測量電阻產生的 18dBμV 對應的噪聲電流僅為 159nA。
測量傳導 EMI
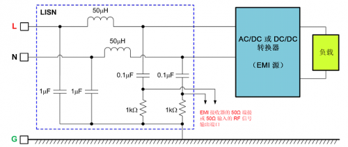
LISN 測量 EUT 產生的傳導發射。它是插入 EMI 源和電源之間測量點的接口,確保 EMI 測量結果的可重復性和可比較性。圖 3 所示為根據 CISPR 16-1-2 [12] 或 ANSI C63.4標準定義的標準 50μH LISN 的功能等效電路(并非完整原理圖)。
LISN 提供:
· 在給定頻率范圍內,產生經過校準的穩定信號源阻抗。
· 在該頻率范圍內,將 EUT 和測量設備與輸入電源隔離。
· 與測量設備建立安全適用的連接。
· 單獨測量兩條線路的總噪聲級別,圖 3 中以 L 和 N 表示。
圖 3:使用 V 型 LISN 進行的傳導發射測量。
簡而言之,使用信號源阻抗已知的預定義測試方案能夠獲得可重復性結果。注:LISN 可能包含一個或多個獨立 LISN 電路。
LISN 的實質是 pi 濾波器網絡。通過低通電感-電容 (LC) 濾波器,EUT 與輸入電源線 L 和 N 相連,如圖 3 所示。LISN 電感值基于在產品理想安裝狀態下,電源線的預期電感。
CISPR 16 和 ANSI C63.4 為 LISN 指定了一個 50μH 電感,該值與電信設備中約 50 米的配電布線系統的電感相符。相反,CISPR 25 指定 5μH LISN,與汽車線束的近似電感相對應。
LISN 為噪聲發射信號提供明確定義的阻抗。LISN 制造商通常提供校準曲線,指示特定測量頻率范圍內的標稱阻抗。根據 CISPR 16-1-2,允許的容差是 ±20% 的幅值和 ±11.5° 的相位。
對于使用 EMI 接收器或頻譜分析儀進行的測量,噪聲信號可通過高通濾波器網絡(如圖 3 所示)獲得,該網絡的耦合電容為 0.1μF,放電電阻為 1kΩ,測量端口的端接電阻為 50Ω 。圖 4 顯示了在 150kHz 至 30MHz 的頻率范圍,(50μH + 5Ω) || 50Ω LISN 的模擬阻抗圖。
圖 4:在 150kHz 至 30MHz 的調節頻率范圍內,測量端口處的 50Ω,50μH LISN 標稱阻抗特性。
針對汽車應用的 CISPR 25 測試裝置
圖 5 顯示了 CISPR 25 推薦的傳導發射測試裝置。該標準定義了待測系統的處理方式以及測量方案和設備。根據 CISPR 25 規范,LISN 在此處指定為 AN。當汽車功率回流線超過 200mm 時,EUT 遠程接地,需要兩個 AN:二者分別用于正電源線和功率回流線。相反,如果汽車功率回流線不超過 200mm,則 EUT 本地接地,只需將一個 AN 應用于正電源。
AN 直接安裝在基準接地平面之上,AN 外殼與接地平面相連。電源回流線還與電源和 AN 之間的接地平面相連。將 EMI 接收器連接到相應 AN 的測量端口可確保成功測量每條電源線上的傳導發射。與此同時,插入另一條電源線的 AN 的測量端口端接 50Ω 負載。
圖 5:CISPR 25 傳導 EMI 測試方案(電壓法)概述。
圖 6 顯示了用于預合規測試的 CISPR 25 傳導發射試驗室。LISN 是右側的藍色箱體,鋰離子汽車電池位于其后,DUT 位于左側的絕緣材料上。為了在特定電源電壓下(例如 13.5V)進行測試,使用可變電壓源從試驗室外部通過隔板饋電。結果通過各自的 LISN 在線路端(熱回路)和返回端(接地)獲取。
圖 6:使用兩個單極 LISN 和銅箔接地平面的 CISPR 25 傳導 EMI 測試裝置。
圖 7 顯示了典型的 CISPR 25 傳導 EMI 掃描結果,黃色和藍色分別表示峰值和平均測量值。我們可以看到 DC/DC 轉換器安靜地運行,傳導發射遠低于嚴格的 5 類限值。這種測量技術在 30MHz 以上發生改變,因為 EMI 接收器的 RBW 從 9kHz 調整為 120kHz,可能導致測量噪底發生變化。
圖 7:典型的 CISPR 25 傳導 EMI 測量。
總結
有意或者無意產生的電磁能量均對其他設備造成電磁干擾。商業產品需要在正常運行過程中將產生的電磁能量降至最低水平。
世界各地的許多管理機構均對允許最終產品產生的傳導和輻射 EMI 的等級進行了規定。采用適用的測量技術可以定量分析此類發射,以便采取適當的措施符合法規的合規性。
EMC 要求通常事關在 AC 電源線(和信號線)所測量系統的整體情況,而 DC/DC 轉換器作為子元器件,并沒有具體的 EMC 限值。然而,用戶可以執行預合規性測試,確定 EMI 是否造成不良影響。











