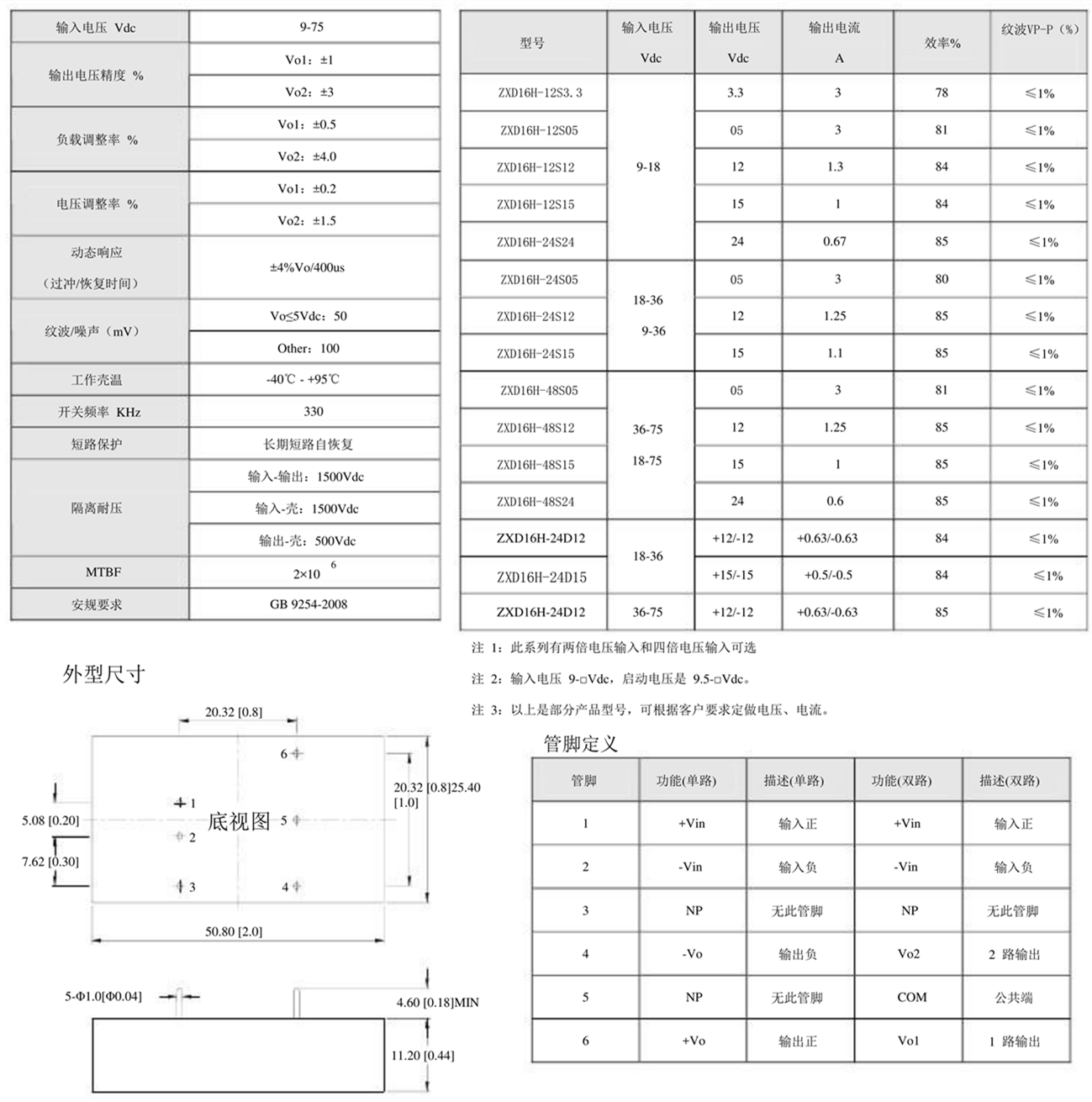
DC-DC模塊電源16W
電源類型:插針式模塊電源
規格型號:ZXD16H-48S05
電源尺寸:50.8mmx25.4mmx11mm
輸入電壓:DC12V(9-18V),18V(9-36V),24V(18-36V),48V(36-72V),110V(66-170V)
輸出電壓:DC3.3V/05V/12V/15V/24V/28V/48V
輸出功率:16W




